Industrial and Commercial Energy Storage Solutions
Application Background
From the perspective of the entire power system, energy storage systems have been recognized as a vital component within the six major segments of grid operation: generation, transmission, distribution, consumption, and storage. Based on application scenarios, they can be categorized into grid-side, renewable energy-side, and consumer-side applications.
Applicable Scenarios
Power grid transmission and distribution entities, new energy entities, and end-users.
Grid Transmission and Distribution Solutions
Distributed power sources, energy storage devices, and loads all need to be connected to the DC bus.

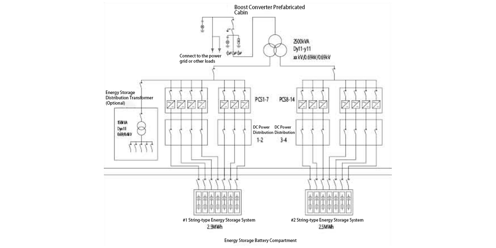
As a new market participant, grid-connected energy storage facilities on the transmission and distribution side operate under unified dispatch and control by grid operators. They offer advantages including continuous regulation of active power, reactive power, and all four quadrants, along with millisecond-level rapid response capabilities.
These facilities can provide ancillary services such as deep peak shaving, fast frequency regulation, spinning reserve, compensated reactive power regulation, and black start capability to meet the power system's regulation needs across different time scales.
◎ Integrated container solutions for energy storage and batteries.
◎ Built-in fire protection, temperature control, and early warning systems provide multiple layers of safety assurance.
◎ Features PQ, VF, SVG, VSG, and other functions, supporting high/low voltage ride-through capability.
◎ Rapid power dispatch, off-grid operation, and black start capability, with strong grid adaptability.
◎ Energy storage sub-array capacity: 2.5 MW / 5 MWh, with easy expansion capability.
New Energy Solutions
Distributed power sources, energy storage devices, and loads all need to be connected to the DC bus.

New energy storage systems can fully and effectively harness the potential of distributed clean energy, smooth out random output fluctuations, improve power forecasting accuracy, reduce grid impacts, enhance power supply quality and independent power supply reliability, ensure safe grid operation, and serve as a valuable supplement to large power grids.
◎ Integrated container solutions for photovoltaics, energy storage, and batteries.
◎ String-based energy storage solutions enable cluster-by-cluster management, eliminating multiple circulating currents, reducing the risk of loss of control, and enhancing safety performance.
◎ Battery module-level precision management enhances charging and discharging efficiency to achieve optimal cost per kilowatt-hour for energy storage systems.
◎ Multiple clusters operate independently, minimizing the impact of failed modules and enhancing system stability.
◎Designable energy storage capacity: 30kWh to 2.5MWh.
User-Side Solutions
Distributed power sources, energy storage devices, and loads all need to be connected to the DC bus.

In industrial and commercial complexes with significant daily load fluctuations, energy storage systems enable users to reduce electricity costs and enhance economic efficiency by shifting loads through peak shaving and valley filling. They also provide highly reliable power supply or backup services during grid failures or power rationing, enhancing electricity reliability and quality—a crucial component of smart grids. Additionally, they coordinate distributed power sources and charging stations for flexible charging/discharging, smoothing renewable energy generation curves and boosting customer returns.
◎ Provides integrated container solutions for photovoltaic systems, energy storage, and batteries.
◎ String-based energy storage solutions enable cluster-by-cluster management, preventing circulating currents across multiple clusters, reducing the risk of loss of control, and enhancing safety performance.
◎ Battery module-level precision management enhances charging and discharging efficiency to achieve optimal cost per kilowatt-hour for energy storage systems.
◎ Multiple clusters operate independently, minimizing the impact of failed modules and enhancing system stability.
◎ Suitable for power supply in off-grid areas, integrated photovoltaic storage and charging applications, industrial park electricity sales, and microgrid applications such as large-scale charging stations.
◎ Designable energy storage capacity: 30kWh to 2.5MWh.











